

燃气 壁挂炉 是以天然气为能源的一种设备,作为纯耗气的一种设备满足用户需求的前提就是要求有足够的天然气资源,因此如何提高天然气壁挂炉的使用效率,以及在使用燃气壁挂炉的时如何做到比较好的节能效果很重要,也成为了用户关注的焦点,近些年来,人们将目光转向了系统节能方面, 太阳能 就是一种巨大的能量,对于燃气壁挂炉太阳能的使用才成为发展的趋势,但究竟什么是燃气壁挂炉太阳能呢? 燃气壁挂炉太阳能 燃气壁挂炉太阳能-太阳能资源 太阳能资源巨大,并且凭借容易采集、容易利用而在众多的可再生资源中独树一帜,每年的销量在平均23.5%的速度增长,起初人们对太阳能最初的认识就是太阳能能够提供生活热水,可以用来洗澡等,但是随着对太阳能研究的不断深入,太阳能在各方面的应用也在不断的展开,现在致力于太阳能和其他能源的无缝连接,即系统功能方面的要求,将太阳能和其他清洁能源优化组合起来进行无缝连接,避免能源各自利用的浪费和不足,从而更好的发挥两方面的能效。 燃气壁挂炉太阳能-燃气壁挂炉太阳能的优势 目前太阳能与壁挂炉的系统都是独自进行运行的。也就说他们的控制系统是各自独立的。由于独立运行因而相互之间并没有联系,没有直接数据通讯,不能建议起合作和交流。运行过程中就可能出现能源重复、能源浪费、运行效率低等问题。但是如果采用太阳能与壁挂炉的联合运行系统,采用统一的控制系统,同时对太阳能系统和采暖系统进行控制,两个系统无缝连接,可以直接数据通讯。前提是优先保证太阳能的运行,尽可能使用太阳能源,最大限度发挥可再生能源的优势,但是也要保障在使用过程中各个设备的正常运行。两个系统是合作关系,共享相同的数据信息,可以取长补短,相互弥补,达到尽可能的完美。 单独控制的壁挂炉控制系统和太阳能系统,会出现能源的浪费,导致一方面资源短缺,而另一方面资源却没有得到恰当的利用,因而将壁挂炉和太阳能联合解决方案,很好的解决了这个问题。
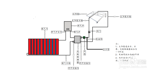
太阳能应用于家用采暖市场还比较少,但随着节能理念的深入,以及采暖市场的逐步扩大,太阳能采暖必将成为整个家用采暖市场的一个重要组成部分。 太阳能在能源领域中是无可争辩的最节能最环保的能源。但其缺点也非常明显:1)能量过于分散;2)受天气和季节影响较大;3)利用效率偏低。所以在利用太阳能时,辅助能源是必不可少的。燃气壁挂炉作为一种主流的分户采暖设备,其主要优点在于不受天气影响,使用舒适度高。因此,从理论上说,太阳能和壁挂炉组合的采暖系统将能兼具节能和舒适的优点。本文将从实际角度出发,以实例简析家用太阳能+燃气壁挂炉采暖系统的配置选择和连接方案设计。 家用太阳能+燃气壁挂炉采暖系统的系统配置将通过以下计算来进行具体分析。本文将以上海有200m2面积要进行太阳能+燃气壁挂炉采暖系统的设计为例进行实例模拟计算。 第一步:按体积热指标法计算供暖所需热量 具体公式如下: Q=q×v×(t2-t1)×10-3 KW 式中:Q—建筑物的供暖设计热负荷;v—建筑物的外轮廓体积 t2—室内温度;t1—室外温度;q—建筑物比热特性指标 上式中的参数为:t2=18℃,t1=0℃,v=560m3(200m2采暖) q=1W/m3·℃(参考简明供热设计手册表8-3) 求得:Q=1×560×(18-0)×10-3≈10KW 全日供暖设计负荷为: 10×3600×24=864000KJ/天 第二步:太阳能集热面积计算 1)确认上海采暖季太阳能的辐射能量(假设上海采暖季为11月、12月、1月、2月、3月,具体数据查询国家建筑标准设计图集06SS128《太阳能集中热水系统选用与安装》) 2)确定太阳能系统的太阳能吸收率(一般在40%~50%) 3)确定系统的太阳能保证率(通过计算情况综合考虑) 根据以上表格的计算可知,如果需要太阳能来提供采暖的所有热量,一个需要200m2采暖的别墅将需要铺设超过120m2的太阳能板。如此大面积太阳能板的铺设,明显不是普通别墅可以达到。而且如果配置了如此大面积的太阳能板,在非采暖季将会造成非常大的能源浪费。所以在确定太阳能采暖时,必须同时要考虑太阳能保证率。 太阳能保证率是指系统中太阳能提供能量在整个系统中的占比。一般的太阳能提供热水的系统,太阳能保证率的范围在50%~80%。但相对于太阳能采暖系统来说,需要有一个新的考虑方式。在上海等偏南方城市,采暖季比较短。在上文中暂定了5个月的采暖季,而实际上,上海真正需要采暖的月份根据每年天气情况会有差异,一般在3~5个月。在这样的实际情况下,如果选用太阳能采暖超过50%的太阳能保证率,则在非采暖季,太阳能热水只用于生活用水的情况下,会造成比较大的能源浪费。下面将通过计算来具体说明非采暖季的太阳能使用情况,以10月份,60m2太阳能板为例。 上海10月的太阳能参数为:太阳能辐射月日均值为13560KJ/m2;太阳能系统效率约为50%。则太阳能系统日吸收能量为13560×50%=6780KJ/m2;60m2太阳能板日吸收能量为6780×60m2=406800KJ。而当前别墅10月份的用水需求为:居住人数5人,每人每天使用100L,60℃的热水。而此季节的冷水温度平均为15℃左右。(以上生活用水参数参考建筑给排水设计规范表5.1)根据上述参数可计算得每日此别墅的用水所需消耗的能量为:Q=cmt=4.2×100×5×(60-15)=94500KJ,所需热量只占太阳能总热量的25%左右。 所以,太阳能采暖系统的太阳能保证率应该在30%~50%比较合理。在如上海等偏南方城市,采暖季比较短的情况下,可选用较低的太阳能保证率:30%。而在北方采暖季较长的城市可选用50%的太阳能保证率。而本系统推荐的太阳能板面积将是120×30%=36m2。 在确定系统配置后,接下来将要确定家用太阳能+壁挂炉采暖系统的系统连接。此系统的连接方案可谓多种多样,市场上尚未有统一的连接方案。以下我将介绍系统主流的三种连接方案。 方案介绍:此方案采用双盘管水箱把太阳能和壁挂炉组合成一体。在采暖时,壁挂炉与水箱串联。壁挂炉加热的热水经过采暖回路降温后进入水箱预热,再进入壁挂炉再次加热。此方案连接方便,成本较低。其最大的问题在于阴雨天水箱温度低于采暖回水路的水温时,会对采暖的效果有一定影响。 方案介绍:此方案是方案一的改进,在采暖回水路进入水箱的位置增加了一个温控的三通阀。当采暖回水温度低于水箱温度时,采暖回水进入水箱进行预热;而当采暖回水温度高于水箱温度时,采暖回水将不进入水箱,直接回到壁挂炉回水端。此方案成功解决了阴雨天水箱温度低于采暖回水路水温的问题。 方案介绍:此方案采用双温控阀,通过温控阀的切换,可以实现各种连接模式的合理切换,具体见以下分解状态图。 状态一:当水箱温度足够高时,采暖将不需要壁挂炉参与,完全由水箱为采暖提供热量。 状态二:此状态其实就是方案一模式。当水箱温度无法单独提供采暖,需要壁挂炉辅助的情况。 状态三:此状态其实就是方案二模式下的一种工作模式。当水箱温度低于采暖回水温度时,单独由壁挂炉提供采暖。 以上三种状态分别是,太阳能单独供暖、太阳能+壁挂炉联合供暖、壁挂炉单独供暖。可以说是最完整的一种连接模式。当然,本系统大部分时间将工作在方案一模式。方案二和方案三都是方案一的一种补充和完善。具体的设计,将根据系统的不同配置进行选择。 本文对家用太阳能+燃气壁挂炉采暖系统的配置选择和连接方案设计进行了简单的介绍。现在,太阳能应用于家用采暖市场还比较少,但随着节能理念的深入,以及采暖市场的逐步扩大,太阳能采暖必将成为整个家用采暖市场的一个重要组成部分。 参考文献: [1]《太阳能集中热水系统选用与安装》中国建筑科学研究院组织编制 [2] 李岱森《简明供热设计手册》中国建筑工业出版社 [3] GB50015-2003《建筑给水排水设计规范》