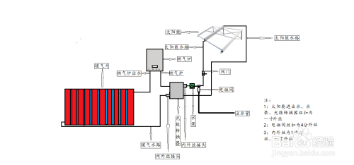
智慧太阳能辅助供暖配合天然气壁挂炉或者电锅炉使用,白天使用太阳能取暖,夜晚使用天然气取暖,节约60%的天然气使用费用,极具性价比。
现根据以往安装经验以及发生过的问题,整理如下
自制扳手,使用厚度3mm金属板切割制作
14mm电动套筒
50mm水钻
热熔器,32毫米和20毫米
小十字螺丝刀,宽度5毫米以内
大十字螺丝刀
剥线钳
壁纸刀
电工绝缘胶带
遮阳布6组
细铁丝若干
材料详细清单参见后文链接
太阳能支架位置布置:
1、太阳能总成居中位置位于水管进屋位置
2、平顶房屋太阳能尽量靠近房北侧,尽量缩短太阳能管路长度
3、起脊房跨骑于房脊
4、太阳能两组以上东西放置时尽量靠近,仅留人侧身通过即可
5、太阳能两组以上南北摆布时,需距离2米以上,避免遮挡阳光
布置原则:水路最短、水路转弯最少、水流分配均匀、不遮挡阳光



2.根据安装太阳能功率的不同,将适量太阳能管和支架运至房顶并摆布开。
5KW:50根太阳能管+支架一组+联箱一个
10KW:100根太阳能管+支架两组+联箱两个
15KW:150根太阳能管+支架三组+联箱三个
太阳能控制器位置选择以及固定

5太阳能控制器内外丝安装
将安装好传感器的内外丝一安装在太阳能控制器的太阳能进水测作为太阳能水温传感器;太阳能水温传感器安装于控制板最左侧的2位白色端子上
将安装好传感器的内外丝二安装在太阳能控制器的暖气片回水测作为暖气片温度传感器;暖气片水温传感器安装于控制板从左侧数第二个的2位白色端子上


太阳能控制器内外丝传感器安装
取传感器两只,套复合垫后安装于内外丝上,并拧紧
7太阳能控制器补水阀管路连接
在水泵之上比较接近补水管路位置,安装1寸变四分三通,然后在四分出口安装太阳能补水阀。
太阳能补水阀为单向阀,需要按照水流方向使用


太阳能控制器水泵安装
将太阳能进水侧的内外丝安装1寸内丝弯头,将水流方向改为向上。
将水泵安装内丝活结,并按照水流方向指向太阳能控制器方向固定在1寸内丝弯头上
注意水泵水流方向!
太阳能控制器太阳能热水回路安装
此管路去往太阳能集热器上方接口。太阳能控制器太阳能进水同侧下方接口使用1寸外丝活结和1寸弯头,也将水路方向改为向上,如图

水路维修用球阀安装
如图在红圈位置安装维修用球阀,用于维修或者特殊情况下补水使用
太阳能进水管打过墙孔
如图红色方框位置答过墙孔,孔径大于50mm
太阳能控制器热水取水三通以及管路
如果需要使用太阳能热水,如图在回水管辂安装取水三通以及取水阀

太阳能支架安装之一三脚架安装
使用一长一短大方管和一个短加强固定成一个三脚架,一共组装三个三脚架

太阳能支架安装之二横担连接三脚架
使用横担连接固定三个三脚架,分为上中下三层横担,每层横担于中间三脚架处搭接,中间搭接处安装孔距离边沿大概1厘米,安装孔距离边沿较远端位于支架两侧
太阳能支架安装之二横担搭接注意事项
横担有两种,观察安装孔距离边沿很近大概1厘米一侧,是不一样的,特别是搭接位置,效果如下图,搭接注意搭接头大小不一致,选择大小头配合搭接
太阳能支架安装之三 十字斜拉撑
三脚架立柱使用十字斜拉撑固定,交叉位置使用M8*20螺丝固定

太阳能支架安装之四固定铁鞋安装
在支架的六个支角是用螺丝安装铁鞋,铁鞋的两个孔朝向支角外侧,此两孔用于与地面的膨胀螺丝连接,固定太阳能支架

太阳能支架安装之五太阳能支架紧固
将太阳能支架调整,摆放周正,确保横向为一条线,三个三脚架前后位置一致,三脚架处于垂直状态并进行预紧
调整联箱以及太阳能管托架安装位置,确保螺丝位置正确,然后全部紧固所有螺丝

太阳能联箱安装
注意具有4分接头的联想一侧位于上方,并使太阳能居中并螺丝紧固


太阳能托架安装
安装太阳能托架并使用螺丝轻带上,不紧固,方便下一步调整位置


太阳能支架摆放定位
根据屋顶空间,确定太阳能支架摆放位置,如如前后放置或者左右放置。前后放置时需要注意间隔距离2米以上,左右放置距离尽可能的近。
太阳能上下水管位于太阳能支架的居中位置,避免位于一侧,方便水流分配
太阳能托架定位
上侧插入一根太阳能玻璃管,确保玻璃管进入联箱,并距离联箱内壁大于2厘米。定位后固定太阳能托架上部螺丝
太阳能托架定位
下侧插入一根太阳能玻璃管,确保玻璃管进入联箱,并距离联箱内壁大于2厘米。定位后固定太阳能托架全部螺丝
太阳能支架固定
太阳能支架需要在地脚压不少于50斤的水泥固定或者太阳能支架需在画星位置使用3mm钢丝要做拉线固定
组装完毕后,把 钢丝绳 或大号钢筋套在前支架左右框上(画星位置),并用螺母拧紧,将连接好的四根钢丝绳或钢筋向热水器四角方向拉伸,在女儿墙或其他地方选择适当位置,钻孔按膨胀挂钩 ,将钢丝绳或钢筋与相应膨胀挂钩用U形环牢固连接。
玻璃管插入准备
准备太阳遮阳布并从太阳能支架上部固定,随着玻璃管的插入,逐个遮挡玻璃管太阳光。
此处使用仿草坪来遮阳。
太阳能玻璃管插入。
太阳能需要预先套防尘胶圈。
将半盆水混合清洁剂并搅拌起泡,将玻璃管需要插入一头沾水后慢慢插入联箱,边向右转向里捅,差不多的时候,垫上管垫,再向左转外拉,到位置就好了。
安装时需要小心保护好尾部玻璃泡。
**可以手握住太阳能玻璃管联箱侧控制给进量避免玻璃管撞击导致破碎。
注意不可直接使用清洁剂润滑玻璃管,清洁剂不易干导致玻璃管滑脱!!!
注意缓慢旋转插入,勿直接插入,否则胶圈会变形漏水
太阳能玻璃管检查
检查玻璃管插入位置以及稳固性,然后固定好防尘胶圈。并注意太阳能遮挡是否完好,确保没有太阳能玻璃管受到太阳能照射。
太阳能PPR连接
太阳能联箱上部互联和下部互联,从中间分出三通接头准备进入房间。
两组或者三组太阳能联箱时,每个联箱上部进水口需要安装球阀,用于调整水流分配



30
太阳能PPR入室
根据室内太阳能控制器进水和出水位置,决定太阳能集热器水管位置,并引入室内与太阳能控制器连接。

太阳能控制器与天然气壁挂炉管路连接
将天然气壁挂炉回水断开并将太阳能控制器串入连接。

天然气壁挂炉关闭时太阳能控制器与管路连接方法
如果计划不使用天然气壁挂炉时,请增加循环泵以循环暖气
太阳能水位传感器安装
将此处4分不锈钢管更换为长度30厘米的4分PPR管,并将传感器插入一半


太阳能水位传感器接线
此处使用四芯传感器,红蓝为水位传感器,白绿为水温传感器线,此处不使用白绿线,使用红蓝线。
红蓝不分顺序,红、蓝分别使用电线引入到室内太阳能控制器旁。
与随机带的2P白色插头分别连接,然后插到太阳能控制器里做起第三个2P白色插头(紧挨4P白色端子)


太阳能控制器水泵以及电源连接
将电源线棕、蓝、白绿分别与水泵的棕、蓝、白绿连接,然后一起用十字螺丝刀拧到电源的L(棕)、N(蓝)、E(黄绿)端子上。
检查连接正确牢固,导线无毛刺
太阳能控制器补水阀电连接
将线路板上两位绿色端子通过随机附带的白色两芯线与太阳能电磁阀连接

系统通电,显示屏亮起,10秒之内,会显示太阳能温度和暖气温度,右上角水位显示为零
确保太阳能已经遮挡,并确认自来水水压,如果水压不足请使用增压泵
并确保自来水与补水电磁阀连接良好,且球阀已经打开
点击显示屏上方长条,开启补水
目视屋顶太阳能水已经充满并开始溢出,手动关闭补水阀,稍等片刻水不在溢出为止。
将溢出口使用长度30厘米的4分PPR替换,确保不再溢水
调节水位传感器位置,并使控制器显示水位在90%以上。固定水位传感器,如有必要可以使用4分PPR管调节水位传感器位置
检查每组太阳能集热器,并调节手动球阀,确保每组流量一致
打开太阳能遮阳布
系统即可正常运行
END
日常补水方法:冬季一直使用时,左上角图标显示为向上箭头时为自动补水状态,需要一直保持此状态时,太阳能控制器会自动补水。
日常补水方法:太阳能“没水”刚开机时,不可设定为向上箭头状态,此时需要关闭前置球阀;
待到太阳下山或者遮蔽太阳30分钟之后,打开前置球阀和打开自动上水,太阳控制器会自动加满水,满水后自动停止进入自动加水模式,系统进入正常状态
日常补水方法:夏季应用时,如果一直保持太阳能控制器通电状态,则无需干涉;
如果处于不通电状态,则在使用热水后,在晚上通电,打开自动加水
日常补水注意事项:
1、有日照时不可加水
2、加水尽量在早晨出太阳前进行,至少要日照消失30分钟以后
3、夏季水损耗较大,需要定时加水保证太阳能集热器水高于80%
天然气壁挂炉运行设定
根据个人条件不同,天然气壁挂炉设置于:
1、保温模式
2、加热模式,温度设定为45度。
如果需要关闭天然气壁挂炉,则需要加装暖气水泵以保证暖气水路循环
太阳能控制器温度设定
使用+-按钮调整太阳能进入设置值,此设置值一般设定为天然气壁挂炉启动温度加一度。
如果没有天然气壁挂炉或关闭,该温度设定为30度。
太阳能压力不够且又每有增压泵处理方法
关闭圆圈处球阀,通电打开水泵,然后再打开补水阀,等待水满后,打开红圈处球阀即可。
太阳能热水取用方法
冬季保持系统开启,直接从右侧阀门处取用热水即可
夏季可以停止系统和水泵运行,直接从右侧阀门处取用热水即可
太阳能夏季使用方法
1、需要定期补水,确保水位不低于80%
2、系统可以不通电以节约电能
太阳能夏季特别注意事项:
1、需要定期补水,确保水位不低于80%
2、用水后需要当晚立即补水
3、可选的使用遮阳布遮挡太阳光
安装配件表
http://sales.czinv.com/resources/upload/a5fefabfbdab317/1588321853863.doc
END
确保接地良好,如果没有地线需要做好地线
太阳能集热器里必须保持80%的水